Sabtu, 20 November 2021

555 Astable Circuit Diagram / Making Astable Multivibrator Using 555 Timer Ic :

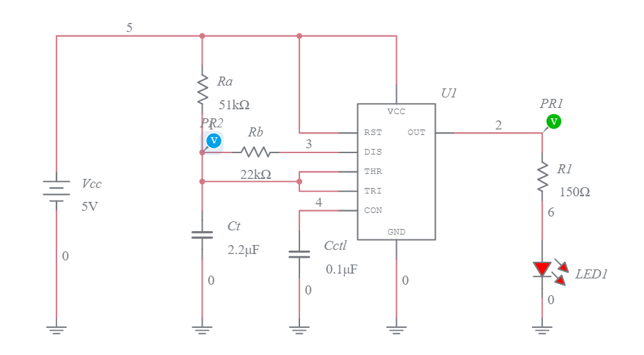
The ic 555 can be made to work as an astable multivibrator with the addition of three external components: The 555 timer is widely used as ic timer circuit and it is the most commonly used general. Fig 1 shows the pin connections to the 555 timer, it was take directly from the 555 timer datasheet. The 555 timer ic is an integrated circuit (chip) used in a variety of timer, delay, pulse generation, and oscillator applications. 4.4.2 finding suitable values for c1 · example · fig.

The 555 has three main operating modes, monostable, astable, and bistable. 555 Timer Tutorial And Circuits Build Electronic Circuits
555 Timer Tutorial And Circuits Build Electronic Circuits from www.build-electronic-circuits.com
555 timer astable multivibrator circuit diagram . 4.4.2 finding suitable values for c1 · example · fig. For that purpose we need two external resistors and two pushbuttons. Fig 1 shows the pin connections to the 555 timer, it was take directly from the 555 timer datasheet. Now let's make an example of the 555 timer operating in a bistable mode. Each mode represents a different type of circuit that has a particular output. This pin connects to the negative side of the battery. The 555 timer ic is an integrated circuit (chip) used in a variety of timer, delay, pulse generation, and oscillator applications.

The 555 timer ic is an integrated circuit (chip) used in a variety of timer, delay, pulse generation, and oscillator applications.

Fig 1 shows the pin connections to the 555 timer, it was take directly from the 555 timer datasheet. The 555 has three main operating modes, monostable, astable, and bistable. Each mode represents a different type of circuit that has a particular output. Designing 555 astable oscillators · fig. Now let's make an example of the 555 timer operating in a bistable mode. Basic astable 555 oscillator circuit. 555 timer astable multivibrator circuit diagram . Two resistors (r1 and r2) and a . The 555 timer ic is an integrated circuit (chip) used in a variety of timer, delay, pulse generation, and oscillator applications. The ic 555 can be made to work as an astable multivibrator with the addition of three external components: 4.4.2 finding suitable values for c1 · example · fig. The 555 timer is widely used as ic timer circuit and it is the most commonly used general. 4.4.3 555 circuit for 1khz 2:1 mark to space ratio · fig.

This pin connects to the negative side of the battery. Two resistors (r1 and r2) and a . Each mode represents a different type of circuit that has a particular output. Basic astable 555 oscillator circuit. Now let's make an example of the 555 timer operating in a bistable mode.

The 555 has three main operating modes, monostable, astable, and bistable. 1 Minute To 10 Minutes Adjustable Timer Circuit
1 Minute To 10 Minutes Adjustable Timer Circuit from www.electroschematics.com
4.4.3 555 circuit for 1khz 2:1 mark to space ratio · fig. The 555 timer ic is an integrated circuit (chip) used in a variety of timer, delay, pulse generation, and oscillator applications. Fig 1 shows the pin connections to the 555 timer, it was take directly from the 555 timer datasheet. Designing 555 astable oscillators · fig. For that purpose we need two external resistors and two pushbuttons. The ic 555 can be made to work as an astable multivibrator with the addition of three external components: This pin connects to the negative side of the battery. The 555 has three main operating modes, monostable, astable, and bistable.

Each mode represents a different type of circuit that has a particular output.

555 timer astable multivibrator circuit diagram . The 555 has three main operating modes, monostable, astable, and bistable. 4.4.3 555 circuit for 1khz 2:1 mark to space ratio · fig. Basic astable 555 oscillator circuit. 4.4.2 finding suitable values for c1 · example · fig. Designing 555 astable oscillators · fig. The ic 555 can be made to work as an astable multivibrator with the addition of three external components: Each mode represents a different type of circuit that has a particular output. Two resistors (r1 and r2) and a . Fig 1 shows the pin connections to the 555 timer, it was take directly from the 555 timer datasheet. The 555 timer is widely used as ic timer circuit and it is the most commonly used general. For that purpose we need two external resistors and two pushbuttons. Now let's make an example of the 555 timer operating in a bistable mode.

This pin connects to the negative side of the battery. 4.4.2 finding suitable values for c1 · example · fig. Fig 1 shows the pin connections to the 555 timer, it was take directly from the 555 timer datasheet. The 555 timer is widely used as ic timer circuit and it is the most commonly used general. Each mode represents a different type of circuit that has a particular output.

The ic 555 can be made to work as an astable multivibrator with the addition of three external components: Solved Design An Astable 555 Timer Circuit To Produce A 500 Chegg Com
Solved Design An Astable 555 Timer Circuit To Produce A 500 Chegg Com from d2vlcm61l7u1fs.cloudfront.net
Basic astable 555 oscillator circuit. The 555 timer ic is an integrated circuit (chip) used in a variety of timer, delay, pulse generation, and oscillator applications. The 555 has three main operating modes, monostable, astable, and bistable. This pin connects to the negative side of the battery. Fig 1 shows the pin connections to the 555 timer, it was take directly from the 555 timer datasheet. Now let's make an example of the 555 timer operating in a bistable mode. Each mode represents a different type of circuit that has a particular output. 555 timer astable multivibrator circuit diagram .

Fig 1 shows the pin connections to the 555 timer, it was take directly from the 555 timer datasheet.

555 timer astable multivibrator circuit diagram . 4.4.2 finding suitable values for c1 · example · fig. This pin connects to the negative side of the battery. The 555 timer ic is an integrated circuit (chip) used in a variety of timer, delay, pulse generation, and oscillator applications. The 555 has three main operating modes, monostable, astable, and bistable. Two resistors (r1 and r2) and a . 4.4.3 555 circuit for 1khz 2:1 mark to space ratio · fig. Designing 555 astable oscillators · fig. The 555 timer is widely used as ic timer circuit and it is the most commonly used general. Basic astable 555 oscillator circuit. The ic 555 can be made to work as an astable multivibrator with the addition of three external components: Fig 1 shows the pin connections to the 555 timer, it was take directly from the 555 timer datasheet. Each mode represents a different type of circuit that has a particular output.

555 Astable Circuit Diagram / Making Astable Multivibrator Using 555 Timer Ic :. For that purpose we need two external resistors and two pushbuttons. The ic 555 can be made to work as an astable multivibrator with the addition of three external components: The 555 timer is widely used as ic timer circuit and it is the most commonly used general. Two resistors (r1 and r2) and a . 555 timer astable multivibrator circuit diagram .

0 comments:

Posting Komentar

 
Top